Power transmission
After generating the power it
should be transmitted and distributed. The difference between transmission and
distribution is transmission deals with high voltage (such as 220kv, 132kv) and
transmission is done from generating station to the load centers. In
distribution it deals with low voltage (such as 230v). In distribution section
it distributes power to the loads.
So there will be a question, why
high voltage for transmission? Answer is to reduce the power loss. For
transmission it is used high voltage DC or high voltage AC. Ac or DC choice is
depend on the transmission distance. Refer the below graph.
Therefore it is clear that up to
a certain distance AC transmission is chief than DC. But after that DC is chief
although its initial cost is high.
In power systems there is places
called switchyards. In this places the main function is step down/up voltages,
provide protection, distributing power etc. the arrangement of switchyard is
shown below.
Arrangement of a switch yard
[Image source: http://en.wikipedia.org/wiki/Electrical_substation]
Let’s discuss about components
and their functions in switchyard.
Components in switchyard
Power lines
There are mainly two categories
primary power lines and secondary power lines. If we consider a switchyard at
the generating station primary power lines conduct power from generators to the
switchyard. So secondary lines conduct power from switchyard to the
distribution/load centers.
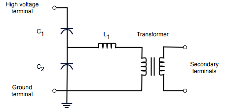
Instrument transformers
- Voltage transformer (VT) /capacitive voltage transformer
(CVT)
This is used to step down high
voltage into low voltage signal for measurement or to operation of protection
relays.
VT operation is same as usual
potential transformer. But operation of CVT is different.
[Image source: http://en.wikipedia.org/wiki/Capacitor_voltage_transformer]
There are two capacitors. Value of
C2 is greater than the C1. Because we take voltage across the C2 as shown in
below.
measured voltage=(V*C1)/(C1+C2)
Hence we will able to
reduce the measured voltage successfully. In addition it can be seen that there
is an inductor L1. We know that combination of capacitor and inductor makes a
kind of filter circuit (here low pass filter). By changing inductor value CVT
can be tuned to the line frequency. After that there is a step down transformer
which is used to further reduce the voltage level and to provide isolation. Hence
CVT provide filtered low voltage signal.
- Current transformers (CT)
Current transformers have more windings in secondary and hence
it step down the current value. This value is used for measuring and for
operation of protection devices. When we look at a CT it has two sides named as
P1 (incoming side) and P2 (outgoing side). Outgoing terminals are also named as
S1 and S2.
Surge/lightening arrester
These are used to protect power systems from abnormal high
voltages such as lightning strikes. There are two terminals, one end is
connected to the power line and the other end is connected to the ground. Between
these two ends there is a nonlinear resistor. For normal voltage it is very
high and hence no current flows through it. But with the voltage increasing
resistance become decreasing. So for very high voltages resistance is very low
and hence power start flows through the resistor. Hence power system protect.
Isolators
Isolators can be treated as a kind of switch. These are used to
isolate a portion of power system or some equipment for maintenance or similar
purposes. This can be operated either manually or by using motors. But it
should be noted that isolators can only operate at no load conditions, means
when operate an isolator the power line should be completely dead. Therefore
before operating an isolator circuit breakers should be off.
Wave trap
Wave trap is an inductor. We know that inductor with a capacitor
can arrange as a high pass filter. Here also wave trap with a coupling
capacitor is used as a high pass filter. Usually capacitor will be a capacitor
inside a CVT. So, why it is used this type of high pass filter. Because usually
high voltage transmission lines are used as a communication medium. It means
power lines conducting 50/60 Hz power in three phases while High frequency
communication signals (usually in the range of 50Hz-500Hz) are transmitting
through a one conductor. So usually you can see that in switchyards wave trap
is only apply to a one conductor (for only a single phase). But it is just
according to my experience. If you have problem, what is for this
communication? The answer is communication between generation point and switch
yard or another two points in power system.
Grounding transformer (Zig Zag transformer)
This is a special kind of a transformer
which consist of only primary windings. For three phases there are three legs
and each leg consist of two windings. In each leg two leg two windings are
wound so that their current flow is in opposite directions. Hence total flux
become zero and there is no current flow through the neutral. But if some fault
occurs the flux is not in balance and therefore a current flows through the
neutral.
Importance of the grounding
transformer are as follows.
- · It provides earth reference to delta connections.
- · It removes triplen harmonics. (3rd , 9th etc. ).



No comments:
Post a Comment